

| 型号 | 尺寸 | 重量(Kg) | 额定功率(W) | 额定力矩(N.m) | 额度转速(Rpm) | ||||||||||||
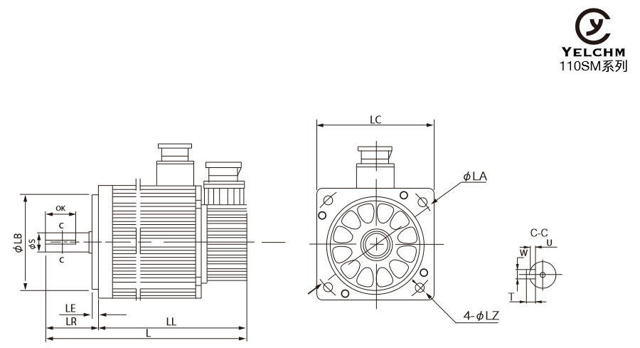
| L | L L | LR | LA | LB | S | LC | LE | LZ | OK | W | T | U | |||||
| 110Sm04030 | 238 | 185 | 52 | 130 | 95 | 19 | 110 | 5 | 10 | 30 | 6 | 6 | 3 | 6.2 | 1200 | 4 | 3000 |
| 110Sm05020 | 253 | 200 | 52 | 130 | 95 | 19 | 110 | 5 | 10 | 30 | 6 | 6 | 3 | 6.5 | 1000 | 5 | 2000 |
| 110Sm06025 | 273 | 220 | 52 | 130 | 95 | 19 | 110 | 5 | 10 | 30 | 6 | 6 | 3 | 8.2 | 1500 | 6 | 2500 |
| 110Sm06030 | 273 | 220 | 52 | 130 | 95 | 19 | 110 | 5 | 10 | 30 | 6 | 6 | 3 | 8.2 | 1800 | 6 | 3000 |
备注:带抱闸长度加长60mm,电机可根据客户要求定制。
额定输出功率:1000-1800W
额定转矩:4.0-6.0N.m
最大转矩:12-18N.m
额定转速:2000-3000rpm
额定电流:4-6A
最大电流:5.19-19A




110美女免费视频主图

110美女免费视频背面

美女免费视频正面

永磁交流美女免费视频上截面

交流美女免费视频侧面

美女免费视频航空插特写

110系列伺服尺寸图
美女网站免费110系列伺服电机特点:
1、 精度:实现了位置,速度和力矩的闭环控制;克服了美女视频APP黄失步的问题;
2、转速:高速性能好,一般额定转速能达到2000~3000转;
3、适应性:抗过载能力强,能承受三倍于额定转矩的负载,对有瞬间负载波动和要求快速起动的场合特别适用;
4、稳定:低速运行平稳,低速运行时不会产生类似于美女视频APP黄的步进运行现象。适用于有高速响应要求的场合;
5、及时性:电机加减速的动态相应时间短,一般在几十毫秒之内;
6、舒适性:发热和噪音明显降低
交流美女免费视频的应用领域就太多了。只要是要有动力源的,而且对精度有要求的一般都可能涉及到美女免费视频。如:机床、印刷设备、包装设备、纺织设备、激光加工设备、机器人、自动化生产线等对工艺精度、加工效率和工作可靠性等要求相对较高的设备电机,美女网站免费低压伺服基于成熟的生产工艺保证了产品的稳定性,特别是针对非标定制类的特殊型号电机可以定向开发,满足客户不同需求,如需订购可致电客服热线!
美女网站免费机电(无锡)有限公司
地址:江苏省无锡市钱桥镇胜丰村
龙亨沟88号
邮编:214151
电话:0510-83239135
0510-83231502
传真:0510-83233870
手机:唐小姐18936070071
孙小姐18914100270
QQ:唐小姐810806445
孙小姐2143562638
